产品分类
PRODUCT CLASSIFICATION
技术文章/ article

您的位置:
首页 -
技术文章 -
高效加工新选择:Kitagawa北川BR系列动力卡盘,实现01mm TIR精度与极速换爪
高效加工新选择:Kitagawa北川BR系列动力卡盘,实现01mm TIR精度与极速换爪

更新时间:2025-12-27

浏览次数:418
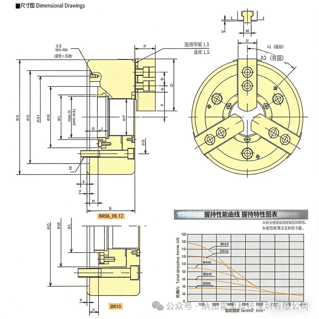
BR系列高精度大通孔空心动力卡盘重新定义了标准卡盘性能,以 0.01mm TIR以下的抓取精度 和 快速换爪能力 为核心优势,适用于高精度加工场景。其兼容B-200/BB200系列卡盘,并通过可选配件(如T型螺母Plus、BR-AJC-M快速换爪器)进一步提升重复定位精度与换爪效率,全面符合CE标准。抓取精度达 0.01mm TIR或更低 (注4:BR12型号使用T-Nut Plus/BR-AJC-M时为0.015mm TIR)。标配T型螺母Plus(可选)实现重复精度≤0.01mm TIR,更换爪片无需重新成型。升级BR-AJC-M快速换爪器(可选)可显著缩短换爪时间,同时提升重复精度至0.01mm TIR以下。通孔直径范围 33mm(BR05)~106mm(BR12) ,满足长棒料、管材加工需求。允许转速 3500~8000 min⁻¹ ,动态夹持力(外径夹持) 15.5~53kN ,适配高速精密加工。(注:以上数据基于北川Kitagawa内部标准,具体参数以实际产品为准。)注1 :夹持精度指在机床上成型夹爪后,测试棒的挠度测量值。注2 :重复精度指成型夹爪拆卸后重新安装的测试棒跳动量。注3 :精度测量点为距标准钳口顶面10mm处的测试杆挠度,符合公司内部标准。注4 :BR12型号使用T-Nut Plus或BR-AJC-M时,精度为0.015mm TIR。注5 :T-Nut-Plus使用说明书可下载(点击原文链接)。适用于 高精度车削、铣削、磨削 等加工,尤其适合需要频繁更换工件或长棒料加工的自动化生产线,满足汽车、航空航天、精密模具等行业对高刚性、高精度夹持的需求。
CONTACT
办公地址:www.nagahori.com.cn
TEL:0755-23172186
EMAIL:twx@nagahorl.com
扫码加微信

扫码加微信